[Coco] Adapting a V9958 64-pin Chip to fit a Solderless Breadboard
Luis Antoniosi (CoCoDemus)
retrocanada76 at gmail.com
Thu Nov 28 21:53:48 EST 2013
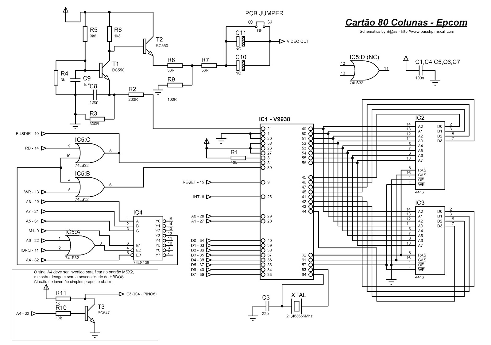
this is the schematics for the msx1 computer. it would be faily easy to
adapt to coco and add 128 k vram for graphic modes. it also has support for
superimposing the coco3 rgb video but that i'm afraid it would not fit in a
regular pak.
I will need to add a cxa1145 for s-video output.
http://1.bp.blogspot.com/-9Gihxk4bTR4/URxlxrYKTwI/AAAAAAAAAhc/QMMx495PHeg/s1600/EPCOM80.BMP
On Thu, Nov 28, 2013 at 2:25 PM, Luis Antoniosi (CoCoDemus) <
retrocanada76 at gmail.com> wrote:
> Hi Kip, did you have any progress on that ?
>
> After my successfully try with 80 column card I want to move to a 9958 one.
>
> I was think in soldering wires from an SDIP-64 socket but I'm having
> problems even finding a sdip-64 socket.
>
> So I ultimately thought that i should make the prototype on OSD Park,
> becasue if I had to solder 4, 5 evem 10 wires for fixing missing
> connections that would be by far better than soldering 64 pins !
>
>
>
>
>
> On Fri, Apr 5, 2013 at 2:48 AM, Kip Koon <computerdoc at sc.rr.com> wrote:
>
>> Luis,
>> I have some disappointing news for you my friend.
>> The advertised chip in that ad is exactly the same chip I received. All
>> markings on my chip exactly match the markings in that ad.
>> Trust me, that is not a dip64 chip. It is an sdip64 chip which stands for
>> "shrink dip". The pins are closer together. They are spaced 0.07" apart.
>> The pins are not spaced 0.1" apart. Even the advertiser is the same.
>> I don't think a dip64 version exists, unfortunately. I wish it did.
>> The Technical data book only mentions a shrink dip version of the chip at
>> the very beginning of the document. It's a very interesting chip, I just
>> need to interface to it somehow. Thanks for the heads up though. It was
>> an
>> excellent try. The title of that ad is what lead me to read it too and
>> ultimately buy it. If you want a dip64 version of this chip, this is not
>> it.
>> Kip
>>
>> -----Original Message-----
>> From: coco-bounces at maltedmedia.com [mailto:coco-bounces at maltedmedia.com]
>> On
>> Behalf Of Luis Antoniosi (CoCoDemus)
>> Sent: Thursday, April 04, 2013 3:34 PM
>> To: CoCoList for Color Computer Enthusiasts
>> Subject: Re: [Coco] Adapting a V9958 64-pin Chip to fit a Solderless
>> Breadboard
>>
>> what is this ?
>>
>>
>> http://www.ebay.com/itm/IC-V9958-YAMAHA-VDP-IC-MSX-DIP64-NEW-GOOD-QUALITY-1P
>> CS-/300818499421?pt=LH_DefaultDomain_0&hash=item460a2e075d<http://www.ebay.com/itm/IC-V9958-YAMAHA-VDP-IC-MSX-DIP64-NEW-GOOD-QUALITY-1PCS-/300818499421?pt=LH_DefaultDomain_0&hash=item460a2e075d>
>>
>>
>> On Thu, Apr 4, 2013 at 4:27 PM, Kip Koon <computerdoc at sc.rr.com> wrote:
>>
>> > Luis,
>> > There is a dip-64 version? The V9958 Technical Data Book says it is a
>> > shrink dip. I'd love to get a dip-64 v9958.
>> > Kip
>> >
>> > -----Original Message-----
>> > From: coco-bounces at maltedmedia.com
>> > [mailto:coco-bounces at maltedmedia.com]
>> > On
>> > Behalf Of Luis Antoniosi (CoCoDemus)
>> >
>> > You can find the DIP-64 version of the V9958 (aka msx-video). Is the
>> > same used on all msx2+ and Turbo Rs.
>> >
>> > On Thu, Apr 4, 2013 at 3:10 PM, Kip Koon <computerdoc at sc.rr.com> wrote:
>> >
>> > > Daniel,
>> > > This is a much clearer version than I have. However, the V9958
>> > > Technical Manual v1.0 only covers the differences.
>> > > You will also need the V9938 Technical Data Book at the following
>> > address.
>> > > http://www.msxarchive.nl/pub/msx/docs/datasheets/v9938.pdf
>> > > I have an excellent PDF of it, but I don't remember where I got it,
>> > > so I'll email to anyone who needs it. I'll post it here when I find
>> it.
>> > > Kip
>> > >
>> > > -----Original Message-----
>> > > From: coco-bounces at maltedmedia.com
>> > > [mailto:coco-bounces at maltedmedia.com]
>> > > On
>> > > Behalf Of Daniel Campos
>> > > Sent: Thursday, April 04, 2013 9:26 AM
>> > > To: CoCoList for Color Computer Enthusiasts
>> > > Subject: Re: [Coco] Adapting a V9958 64-pin Chip to fit a Solderless
>> > > Breadboard
>> > >
>> > >
>> > > http://primrosebank.net/computers/mtx/projects/mtxplus/V9958-Technic
>> > > al
>> > > -manua
>> > > l_v1.0.pdf
>> > >
>> > > V9958 is used on the MSX2+ and TurboR MSX machines.
>> > >
>> > > Regards,
>> > > Daniel
>> > >
>> > >
>> > > 2013/4/4 Alan Jones <alwanbi at live.com>
>> > >
>> > > > Hi Kip,
>> > > > Can you point me to the data sheet for V9958 chip?
>> > > > I would like to take a look at it.
>> > > > Thanks...
>> > > >
>> > > > Alan
>> > > >
>> > > > -----Original Message-----
>> > > > From: coco-bounces at maltedmedia.com
>> > > > [mailto:coco-bounces at maltedmedia.com]
>> > > > On
>> > > > Behalf Of Kip Koon
>> > > > Sent: Thursday, April 4, 2013 3:44 AM
>> > > > To: Coco Email List
>> > > > Subject: [Coco] Adapting a V9958 64-pin Chip to fit a Solderless
>> > > > Breadboard
>> > > >
>> > > > Has anyone ever adapted a V9958 Video Graphics Controller 64-pin
>> > > > chip with tiny spacing on the pins to fit a solderless breadboard?
>> > > > I was not aware of this very small pin spacing when I was
>> > > > researching the chip. I liked the chip's capabilities and at
>> > > > $6.40 a chip, the price was too good to pass up!
>> > > > This will take some doing. I may have to compromise and use an
>> > > > earlier chip. Maybe the TMS9918 or TMS9928. Were there any
>> > > > others in that chip line.
>> > > >
>> > > > Were there other chip manufacturers with interesting Video
>> > > > Graphics chips I should consider?
>> > > >
>> > > > Kip
>> > > >
>> > > >
>> > > > --
>> > > > Coco mailing list
>> > > > Coco at maltedmedia.com
>> > > > http://five.pairlist.net/mailman/listinfo/coco
>> > > >
>> > > >
>> > > > --
>> > > > Coco mailing list
>> > > > Coco at maltedmedia.com
>> > > > http://five.pairlist.net/mailman/listinfo/coco
>> > > >
>> > >
>> > > --
>> > > Coco mailing list
>> > > Coco at maltedmedia.com
>> > > http://five.pairlist.net/mailman/listinfo/coco
>> > >
>> > >
>> > > --
>> > > Coco mailing list
>> > > Coco at maltedmedia.com
>> > > http://five.pairlist.net/mailman/listinfo/coco
>> > >
>> >
>> >
>> >
>> > --
>> > Long live the CoCo
>> >
>> > --
>> > Coco mailing list
>> > Coco at maltedmedia.com
>> > http://five.pairlist.net/mailman/listinfo/coco
>> >
>> >
>> > --
>> > Coco mailing list
>> > Coco at maltedmedia.com
>> > http://five.pairlist.net/mailman/listinfo/coco
>> >
>>
>>
>>
>> --
>> Long live the CoCo
>>
>> --
>> Coco mailing list
>> Coco at maltedmedia.com
>> http://five.pairlist.net/mailman/listinfo/coco
>>
>>
>> --
>> Coco mailing list
>> Coco at maltedmedia.com
>> http://five.pairlist.net/mailman/listinfo/coco
>>
>
>
>
> --
> Long live the CoCo
>
--
Long live the CoCo
More information about the Coco
mailing list